
<
>
高强磁辊GCT
时间:2025-12-04 18:12:24浏览量:52
GCT系列高强磁辊主要用于清除粉状,片状及颗粒状原料中的铁磁性杂质,无能耗,无污染,结构简单,使用方便,除铁更彻底,效果更明显。本设备采用稀土合金钕铁硼作为磁源,并采用特殊的工艺制作而成,磁力强大,使用寿命长,适用于除铁要求更严格,除铁量更
产品详情
GCT系列高强磁辊主要用于清除粉状,片状及颗粒状原料中的铁磁性杂质,无能耗,无污染,结构简单,使用方便,除铁更彻底,效果更明显。本设备采用稀土合金钕铁硼作为磁源,并采用特殊的工艺制作而成,磁力强大,使用寿命长,适用于除铁要求更严格,除铁量更大的场合。广泛适应于陶瓷,电力,矿山,塑料,化工,橡胶,制药,食品,电子,冶金等行业。
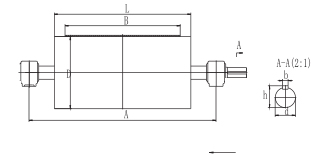
主要技术参数:
型号 | 磁感应强度GS | 外形尺寸mm | 重量kg | |||
A | B | D | L | |||
GCT-10/60 | 8000-16000 | 830 | 500 | 100 | 600 | 130 |
GCT-10/80 | 1020 | 650 | 100 | 780 | 210 | |
GCT-15/65 | 910 | 600 | 150 | 680 | 180 | |
GCT-15/80 | 1010 | 650 | 150 | 780 | 260 | |
GCT-20/80 | 1010 | 650 | 200 | 780 | 330 | |
GCT-20/100 | 1190 | 800 | 200 | 950 | 380 | |
GCT-30/100 | 1190 | 800 | 300 | 950 | 650 | |
GCT-30/120 | 1400 | 1000 | 300 | 1150 | 710 | |
GCT-50/140 | 1550 | 1200 | 500 | 1300 | 860 | |
GCT-50/180 | 2010 | 1600 | 500 | 1750 | 1110 | |
注:本系列各型号具体尺寸可根据用户需求制作。





